В помощь разработчику
Параметры платы
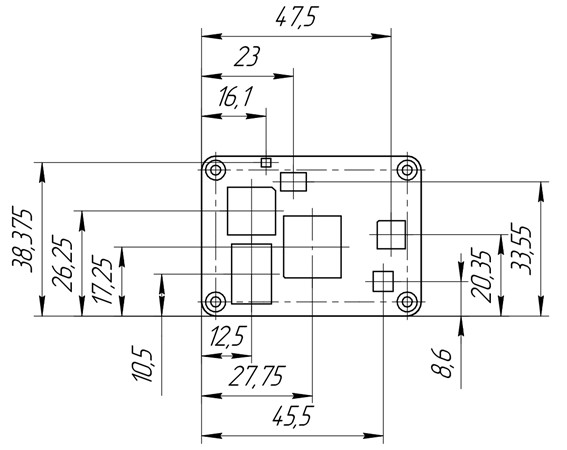
- Размеры - 40 × 55 мм.
- Высота модуля - 4,7 мм.
- На плате присутствуют 4 монтажных отверстия M2.5 (на расстоянии 3,5 мм от края модуля).
- Толщина печатной платы: 1,08 мм ± 10%.
- Самая высокая точка над поверхностью печатной платы: 1,9 мм ± 10%.
- Высота микросхемы RK3566 SoC, включая шарики припоя: 0.794 ± 0,095 мм.
- Высота стекирования: 1,5 мм с ответным разъёмом DF40C-100DS-0.4v.
- Вес модуля составляет 12 г. ± 5%.
Если используется внешняя антенна WiFi, она должна быть ориентирована к краю корпуса, а все близлежащие металлические элементы должны иметь вырезы, иначе качество беспроводной связи ухудшится.
Чертеж
Ниже представлен чертеж модуля ELTAY RM66. Все размеры указаны в миллиметрах.
Вид сверху

Вид снизу

Распиновка
Подключение модуля осуществляется через 3 разъема (DF40 100 пин - 2 шт, DF40 24 пин - 1 шт), расположенных на обратной стороне модуля.
Разъём 1
| Назначение | Линия | Pin | Pin | Линия | Назначение | |
|---|---|---|---|---|---|---|
| Земля (0B) | GND | 1 | 2 | GND | Земля (0B) | |
| Положительный сигнал Ethernet pair 3 | PHY0_MDI_3+ | 3 | 4 | PHY0_MDI_1+ | Положительный сигнал Ethernet pair 1 | |
| Отрицательный сигнал Ethernet pair 3 | PHY0_MDI_3- | 5 | 6 | PHY0_MDI_1- | Отрицательный сигнал Ethernet pair 1 | |
| Земля (0B) | GND | 7 | 8 | GND | Земля (0B) | |
| Отрицательный сигнал Ethernet pair 2 | PHY0_MDI_2- | 9 | 10 | PHY0_MDI_0- | Отрицательный сигнал Ethernet pair 0 | |
| Положительный сигнал Ethernet pair 2 | PHY0_MDI_2+ | 11 | 12 | PHY0_MDI_0+ | Положительный сигнал Ethernet pair 0 | |
| Земля (0B) | GND | 13 | 14 | GND | Земля (0B) | |
| Активный-низкий. 3.3В. Индикатор Ethernet зеленый. Альт.: Сигнал управления уровнем напряжения I/O контроллера Ethernet CFG_LDO[1:0] | PHY0_LED2 | 15 | 16 | Зарезервировано | Не подключен | |
| Активный-низкий. 3.3В. Индикатор Ethernet желтый. Альт.: Сигнал управления уровнем напряжения I/O контроллера Ethernet CFG_LDO[1:0] | PHY0_LED1 | 17 | 18 | Зарезервировано | Не подключен | |
| Сигнал выбора источника напряжения I/O контроллера Ethernet CFG_EXT | PHY0_LED0 | 19 | 20 | Зарезервировано | Не подключен | |
| GPIO: напряжение 3.3В | DIY LED | 21 | 22 | GND | Земля (0B) | |
| Земля (0B) | GND | 23 | 24 | GPIO3_D3 | GPIO: напряжение 3.3В или 1.8В, определяется VCCIO6 | |
| GPIO: напряжение 3.3В или 1.8В, определяется VCCIO6 | GPIO3_D1 | 25 | 26 | GPIO3_D0 | GPIO: напряжение 3.3В или 1.8В, определяется VCCIO6 | |
| GPIO: напряжение 3.3В или 1.8В, определяется VCCIO6 | GPIO3_D2 | 27 | 28 | GPIO3_D7 | GPIO: напряжение 3.3В или 1.8В, определяется VCCIO6 | |
| GPIO: напряжение 3.3В или 1.8В, определяется VCCIO6 | GPIO3_D5 | 29 | 30 | GPIO3_D4 | GPIO: напряжение 3.3В или 1.8В, определяется VCCIO6 | |
| GPIO: напряжение 3.3В или 1.8В, определяется VCCIO6 | GPIO4_C0 | 31 | 32 | GND | Земля (0B) | |
| Земля (0B) | GND | 33 | 34 | GPIO4_A5 | GPIO: напряжение 3.3В или 1.8В, определяется VCCIO6 | |
| GPIO: напряжение 3.3В. Внутренняя подтяжка 2.2кОм к 3.3В | GPIO1_A1 | 35 | 36 | GPIO1_A0 | GPIO: напряжение 3.3В. Внутренняя подтяжка 2.2кОм к 3.3В | |
| GPIO: напряжение 3.3В или 1.8В, определяется VCCIO6 | GPIO3_D6 | 37 | 38 | GPIO4_B3 | GPIO: напряжение 3.3В или 1.8В, определяется VCCIO6 | |
| GPIO: напряжение 3.3В или 1.8В, определяется VCCIO6 | GPIO4_A6 | 39 | 40 | GPIO4_B0 | GPIO: напряжение 3.3В или 1.8В, определяется VCCIO6 | |
| GPIO: напряжение 3.3В или 1.8В, определяется VCCIO6 | GPIO4_A4 | 41 | 42 | GND | Земля (0B) | |
| Земля (0B) | GND | 43 | 44 | GPIO4_B2 | GPIO: напряжение 3.3В или 1.8В, определяется VCCIO6 | |
| GPIO: напряжение 3.3В или 1.8В, определяется VCCIO6 | GPIO4_A1 | 45 | 46 | GPIO4_A2 | GPIO: напряжение 3.3В или 1.8В, определяется VCCIO6 | |
| GPIO: напряжение 3.3В или 1.8В, определяется VCCIO6 | GPIO4_A3 | 47 | 48 | GPIO4_A0 | GPIO: напряжение 3.3В или 1.8В, определяется VCCIO6 | |
| GPIO: напряжение 3.3В или 1.8В, определяется VCCIO6 | GPIO3_C7 | 49 | 50 | GPIO3_C6 | GPIO: напряжение 3.3В или 1.8В, определяется VCCIO6 | |
| GPIO: напряжение 3.3В или 1.8В, определяется VCCIO6 | GPIO0_D0 | 51 | 52 | GND | Земля (0B) | |
| Земля (0B) | GND | 53 | 54 | GPIO4_C3 | GPIO: напряжение 3.3В или 1.8В, определяется VCCIO6 | |
| GPIO: напряжение 3.3В или 1.8В, определяется VCCIO6 | GPIO0_D1 | 55 | 56 | GPIO4_B5 | GPIO: напряжение 3.3В или 1.8В, определяется VCCIO6. Внутренняя подтяжка 2.2кОм к VCCIO6 | |
| SD/eMMC сигнал CLK | SDMMC0_CLK | 57 | 58 | GPIO4_B4 | GPIO: напряжение 3.3В или 1.8В, определяется VCCIO6. Внутренняя подтяжка 2.2кОм к VCCIO6 | |
| Земля (0B) | GND | 59 | 60 | GND | Земля (0B) | |
| SD/eMMC сигнал Data3 | SDMMC0_D3 | 61 | 62 | SDMMC0_CMD | SD/eMMC сигнал CMD | |
| SD/eMMC сигнал Data0 | SDMMC0_D0 | 63 | 64 | Зарезервировано | Не подключен | |
| Земля (0B) | GND | 65 | 66 | GND | Земля (0B) | |
| SD/eMMC сигнал Data1 | SDMMC0_D1 | 67 | 68 | SW_RECOVERY | Сигнал RECOVERY, внутренняя подтяжка 10кОм к 1.8В | |
| SD/eMMC сигнал Data2 | SDMMC0_D2 | 69 | 70 | SARADC_VIN1 | Сигнал ADC 1 | |
| Земля (0B) | GND | 71 | 72 | GPIO0_C6 | GPIO: напряжение 3.3В. Альт.: ШИМ | |
| Не подключен | Зарезервировано | 73 | 74 | GND | Земля (0B) | |
| Сигнал управления питанием SD карты. Внутренний подтягивающий резистор к 3.3В | SD_PWR_ON | 75 | 76 | SDMMC0_DET_L | Сигнал определения подключения SD карты | |
| 4.75В-5.25В. Питание модуля | VBUS | 77 | 78 | VCCIO6 | Определяет уровень напряжения сигналов GPIO. Для выбора напряжения подключить либо к VCC_3V3, либо к VCC_1V8 | |
| 4.75В-5.25В. Питание модуля | VBUS | 79 | 80 | I2C1_SCL_M0 | Сигнал I2C CLK. GPIO: напряжение 3.3В. Внутренняя подтяжка 2.2кОм к 3.3B | |
| 4.75В-5.25В. Питание модуля | VBUS | 81 | 82 | I2C1_SDA_M0 | Сигнал I2C SDA. GPIO: напряжение 3.3В. Внутренняя подтяжка 2.2кОм к 3.3B | |
| 4.75В-5.25В. Питание модуля | VBUS | 83 | 84 | VCC_3V3 | Напряжение 3.3B ± 2.5%, формируется модулем. Максимальный ток - 2000мА на группу | |
| 4.75В-5.25В. Питание модуля | VBUS | 85 | 86 | VCC_3V3 | Напряжение 3.3B ± 2.5%, формируется модулем. Максимальный ток - 2000мА на группу | |
| 4.75В-5.25В. Питание модуля | VBUS | 87 | 88 | VCC_1V8 | Напряжение 1.8B ± 2.5%, формируется модулем. Максимальный ток - 600мА на группу | |
| Сигнал управления WiFi. Для выключения подтянуть к земле. Внутренняя подтяжка 1.8 кОм к 3.3В | WL_nDIS | 89 | 90 | VCC_1V8 | Напряжение 1.8B ± 2.5%, формируется модулем. Максимальный ток - 600мА на группу | |
| Сигнал управления BT. Для выключения подтянуть к земле. Внутренняя подтяжка 1.8 кОм к 3.3В | BT_nDIS | 91 | 92 | RESETn | Сигнал состояния CPU. Двунаправленный. Низкий уровень вызывает Сброс CPU. Внутренняя подтяжка 10кОм к 3.3В | |
| Сигнал загрузки в режиме BOOT-SW, Активный-низкий. Внутренняя подтяжка 10 кОм к +1.8В | BOOT-SW | 93 | 94 | SARADC_VIN3 | Сигнал ADC 3 | |
| GPIO: напряжение 3.3В. Альт.: ШИМ | WORK_LED | 95 | 96 | SARADC_VIN2 | Сигнал ADC 2 | |
| GPIO: напряжение 3.3В | CAMERA_PDN_L | 97 | 98 | GND | Земля (0B) | |
| Сигнал управления питанием модуля. Низкий уровень для выключения. Внутренняя подтяжка 30 кОм к +3.3В | PMIC_PWRON | 99 | 100 | nEXTRST | GPIO: напряжение 3.3В |
Разъём 2
| Назначение | Линия | Pin | Pin | Линия | Назначение | |
|---|---|---|---|---|---|---|
| Входной сигнал USB OTG | USB_OTG0_ID | 1 | 2 | PCIE20_CLKREQn_3V3_L | Сигнал запроса тактирования PCIe. Активный-низкий. Напряжение 3.3В | |
| Сигнал данных USB D- | USB_OTG0_DM | 3 | 4 | PCIE20_WAKEn_3V3_L | Сигнал пробуждения PCIe. Активный-низкий. Напряжение 3.3В | |
| Сигнал данных USB D+ | USB_OTG0_DP | 5 | 6 | Зарезервировано | Не подключен | |
| Земля (0B) | GND | 7 | 8 | GND | Земля (0B) | |
| Сигнал сброса PCIe. Активный-низкий. Напряжение 3.3В | PCIE20_PERSTn_3V3_L | 9 | 10 | PCIE20_REFCLKP_P | Сигнал тактирования PCIe CLK+ | |
| Не подключен | Зарезервировано | 11 | 12 | PCIE20_REFCLKP_N | Сигнал тактирования PCIe CLK- | |
| Земля (0B) | GND | 13 | 14 | GND | Земля (0B) | |
| Входной сигнал данных D0- Камеры 0 | MIPI_CSI_RX_D0N | 15 | 16 | PCIE20_RXP | Сигнал данных RX+ PCIe | |
| Входной сигнал данных D0+ Камеры 0 | MIPI_CSI_RX_D0P | 17 | 18 | PCIE20_RXN | Сигнал данных RX- PCIe | |
| Земля (0B) | GND | 19 | 20 | GND | Земля (0B) | |
| Входной сигнал данных D1- Камеры 0 | MIPI_CSI_RX_D1N | 21 | 22 | PCIE20_TXP | Сигнал данных TX+ PCIe | |
| Входной сигнал данных D1+ Камеры 0 | MIPI_CSI_RX_D1P | 23 | 24 | PCIE20_TXN | Сигнал данных TX- PCIe | |
| Земля (0B) | GND | 25 | 26 | GND | Земля (0B) | |
| Входной сигнал тактирования CLK- Камеры 0 | MIPI_CSI_RX_CLK0N | 27 | 28 | MIPI_CSI_RX_D2N | Входной сигнал данных D2- Камеры 0 | |
| Входной сигнал тактирования CLK+ Камеры 0 | MIPI_CSI_RX_CLK0P | 29 | 30 | MIPI_CSI_RX_D2P | Входной сигнал данных D2+ Камеры 0 | |
| Земля (0B) | GND | 31 | 32 | GND | Земля (0B) | |
| Входной сигнал данных D2- Камеры 0 | MIPI_CSI_RX_D2N | 33 | 34 | MIPI_CSI_RX_D3N | Входной сигнал данных D3- Камеры 0 | |
| Входной сигнал данных D2+ Камеры 0 | MIPI_CSI_RX_D2P | 35 | 36 | MIPI_CSI_RX_D3P | Входной сигнал данных D3+ Камеры 0 | |
| Земля (0B) | GND | 37 | 38 | GND | Земля (0B) | |
| Входной сигнал данных D3- Камеры 0 | MIPI_CSI_RX_D3N | 39 | 40 | MIPI_CSI_RX_CLK1N | Входной сигнал тактирования CLK- Камеры 1 | |
| Входной сигнал данных D3+ Камеры 0 | MIPI_CSI_RX_D3P | 41 | 42 | MIPI_CSI_RX_CLK1P | Входной сигнал тактирования CLK+ Камеры 1 | |
| Сигнал данных EDP D3+ | EDP_TX_D3P | 43 | 44 | GND | Земля (0B) | |
| Двунаправленный сигнал EDP SDA | EDP_SDA | 45 | 46 | EDP_TX_D2P | Выходной сигнал данных EDP D2+ | |
| Двунаправленный сигнал EDP SCL | EDP_SCL | 47 | 48 | EDP_TX_D2N | Выходной сигнал данных EDP D2- | |
| Выходной сигнал данных EDP D3- | EDP_TX_D3N | 49 | 50 | GND | Земля (0B) | |
| Входной сигнал HDMI CEC | HDMI_CEC_PORT | 51 | 52 | EDP_TX_D1P | Выходной сигнал данных EDP D1+ | |
| Сигнал подключения HDMI. Внутренняя подтяжка 120кОм к земле | HDMI_TX_HPD_PORT | 53 | 54 | EDP_TX_D1N | Выходной сигнал данных EDP D1- | |
| Земля (0B) | GND | 55 | 56 | GND | Земля (0B) | |
| Выходной сигнал данных дисплея 0 D0- | MIPI_DSI_TX0_D0N | 57 | 58 | EDP_TX_D0P | Выходной сигнал данных EDP D0+ | |
| Выходной сигнал данных дисплея 0 D0+ | MIPI_DSI_TX0_D0P | 59 | 60 | EDP_TX_D0N | Выходной сигнал данных EDP D0- | |
| Земля (0B) | GND | 61 | 62 | GND | Земля (0B) | |
| Выходной сигнал данных дисплея 0 D1- | MIPI_DSI_TX0_D1N | 63 | 64 | EDP_TX_AUXP | Выходной сигнал данных EDP AUX+ | |
| Выходной сигнал данных дисплея 0 D1+ | MIPI_DSI_TX0_D1P | 65 | 66 | EDP_TX_AUXN | Выходной сигнал данных EDP AUX- | |
| Земля (0B) | GND | 67 | 68 | GND | Земля (0B) | |
| Выходной сигнал тактирования дисплея 0 CLK- | MIPI_DSI_TX0_CLKN | 69 | 70 | HDMI_TX2P_PORT | Выходной сигнал данных HDMI TX2+ | |
| Выходной сигнал тактирования дисплея 0 CLK+ | MIPI_DSI_TX0_CLKP | 71 | 72 | HDMI_TX2N_PORT | Выходной сигнал данных HDMI TX2- | |
| Земля (0B) | GND | 73 | 74 | GND | Земля (0B) | |
| Выходной сигнал данных дисплея 1 D0- | MIPI_DSI_TX1_D0N | 75 | 76 | HDMI_TX1P_PORT | Выходной сигнал данных HDMI TX1+ | |
| Выходной сигнал данных дисплея 1 D0+ | MIPI_DSI_TX1_D0P | 77 | 78 | HDMI_TX1N_PORT | Выходной сигнал данных HDMI TX1- | |
| Земля (0B) | GND | 79 | 80 | GND | Земля (0B) | |
| Выходной сигнал данных дисплея 1 D1- | MIPI_DSI_TX1_D1N | 81 | 82 | HDMI_TX0P_PORT | Выходной сигнал данных HDMI TX0+ | |
| Выходной сигнал данных дисплея 1 D1+ | MIPI_DSI_TX1_D1P | 83 | 84 | HDMI_TX0N_PORT | Выходной сигнал данных HDMI TX0- | |
| Земля (0B) | GND | 85 | 86 | GND | Земля (0B) | |
| Выходной сигнал тактирования дисплея 1 CLK- | MIPI_DSI_TX1_CLKN | 87 | 88 | HDMI_TXCLKP_PORT | Выходной сигнал тактирования HDMI CLK+ | |
| Выходной сигнал тактирования дисплея 1 CLK+ | MIPI_DSI_TX1_CLKP | 89 | 90 | HDMI_TXCLKN_PORT | Выходной сигнал тактирования HDMI CLK- | |
| Земля (0B) | GND | 91 | 92 | GND | Земля (0B) | |
| Выходной сигнал данных дисплея 1 D2- | MIPI_DSI_TX1_D2N | 93 | 94 | MIPI_DSI_TX1_D3N | Выходной сигнал данных дисплея 1 D3- | |
| Выходной сигнал данных дисплея 1 D2+ | MIPI_DSI_TX1_D2P | 95 | 96 | MIPI_DSI_TX1_D3P | Выходной сигнал данных дисплея 1 D3+ | |
| Земля (0B) | GND | 97 | 98 | GND | Земля (0B) | |
| Двунаправленный сигнал HDMI0 SDA. Внутренняя подтяжка к питанию 2.2кОм | HDMI_TXDDC_SDA_PORT | 99 | 100 | HDMI_TXDDC_SCL_PORT | Двунаправленный сигнал HDMI0 SCL. Внутренняя подтяжка к питанию 2.2кОм |
Разъём 3
| Назначение | Линия | Pin | Pin | Линия | Назначение | |
|---|---|---|---|---|---|---|
| Земля (0B) | GND | 1 | 2 | GND | Земля (0B) | |
| Сигнал данных USB2.0 HOST3 D- | USB2_HOST3_DM | 3 | 4 | HPR_OUT | Аналоговый выход на наушники, правый канал | |
| Сигнал данных USB2.0 HOST3 D+ | USB2_HOST3_DP | 5 | 6 | HPL_OUT | Аналоговый выход на наушники, левый канал | |
| Земля (0B) | GND | 7 | 8 | HP_SNS | Сигнал определения подключения наушников | |
| Сигнал данных USB2.0 HOST2 D- | USB2_HOST2_DM | 9 | 10 | MIC1_INP | Аналоговый сигнал от микрофона положительный | |
| Сигнал данных USB2.0 HOST2 D+ | USB2_HOST2_DP | 11 | 12 | MIC2_INN | Аналоговый сигнал от микрофона отрицательный | |
| Земля (0B) | GND | 13 | 14 | GND | Земля (0B) | |
| Сигнал подключения микрофона | HP_DET_L | 15 | 16 | USB3_HOST1_TXP | Сигнал данных USB3.0 HOST1 TX+ | |
| Земля (0B) | GND | 17 | 18 | USB3_HOST1_TXN | Сигнал данных USB3.0 HOST1 TX- | |
| Сигнал данных USB3.0 HOST1 D- | USB3_HOST1_DM | 19 | 20 | GND | Земля (0B) | |
| Сигнал данных USB3.0 HOST1 D+ | USB3_HOST1_DP | 21 | 22 | USB3_HOST1_RXP | Сигнал данных USB3.0 HOST1 RX+ | |
| Земля (0B) | GND | 23 | 24 | USB3_HOST1_RXN | Сигнал данных USB3.0 HOST1 RX- |