В помощь разработчику
Параметры платы
- Размеры - 40 × 55 мм.
- Высота модуля - 4,54 мм.
- На плате присутствуют 4 монтажных отверстия M2.5 (на расстоянии 3,5 мм от края модуля).
- Толщина печатной платы: 1,3 мм ± 10%.
- Самая высокая точка над поверхностью печатной платы: 2,20 мм ± 10%.
- Номинальная высота микросхемы RK3588S, включая шарики припоя: 1,24 мм.
- Высота стекирования: 1,5 мм с ответным разъёмом DF40C-100DS-0.4v.
- Вес модуля составляет 12 г ± 5%.
Если используется внешняя антенна WiFi, она должна быть ориентирована к краю корпуса, а все близлежащие металлические элементы должны иметь вырезы, иначе качество беспроводной связи ухудшится.
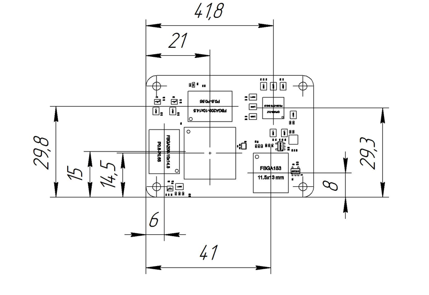
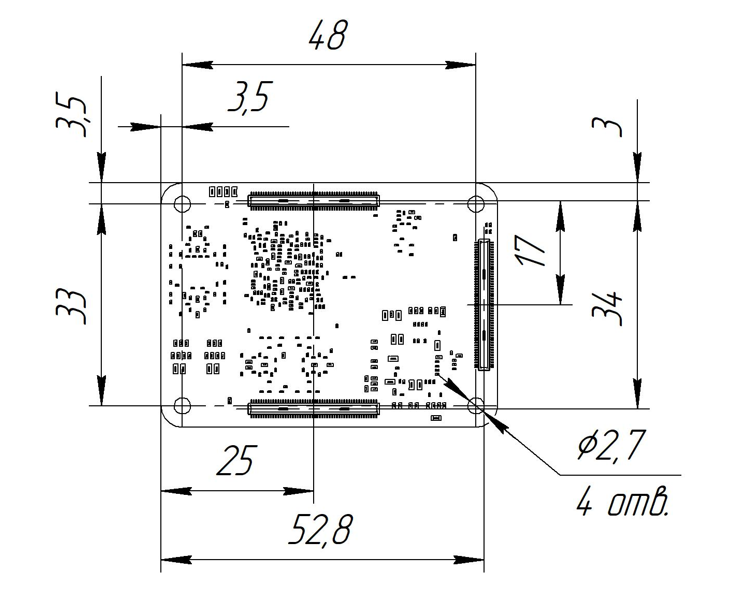
Чертеж
Ниже представлен чертеж модуля ELTAY RM88S. Все размеры указаны в миллиметрах.
Вид сверху

Вид снизу

Распиновка
Подключение модуля осуществляется через 3 разъема (DF40 100 пин - 3 шт), расположенных на обратной стороне модуля.
Разъём 1
| Назначение | Линия | Pin | Pin | Линия | Назначение | |
|---|---|---|---|---|---|---|
| Земля (0B) | GND | 1 | 2 | GND | Земля (0B) | |
| Не подключен | Зарезервировано | 3 | 4 | Зарезервировано | Не подключен | |
| Не подключен | Зарезервировано | 5 | 6 | Зарезервировано | Не подключен | |
| Земля (0B) | GND | 7 | 8 | GND | Земля (0B) | |
| Не подключен | Зарезервировано | 9 | 10 | Зарезервировано | Не подключен | |
| Не подключен | Зарезервировано | 11 | 12 | Зарезервировано | Не подключен | |
| Земля (0B) | GND | 13 | 14 | GND | Земля (0B) | |
| Не подключен | Зарезервировано | 15 | 16 | Зарезервировано | Не подключен | |
| Не подключен | Зарезервировано | 17 | 18 | Зарезервировано | Не подключен | |
| Не подключен | Зарезервировано | 19 | 20 | Зарезервировано | Не подключен | |
| GPIO: напряжение 3.3В | GPIO4_A4 | 21 | 22 | GND | Земля (0B) | |
| Земля (0B) | GND | 23 | 24 | GPIO1_C0 | GPIO: напряжение 3.3В или 1.8В, определяется GPIO_VREF | |
| GPIO: напряжение 3.3В или 1.8В, определяется GPIO_VREF | GPIO1_B0 | 25 | 26 | GPIO1_C1 | GPIO: напряжение 3.3В или 1.8В, определяется GPIO_VREF | |
| GPIO: напряжение 3.3В или 1.8В, определяется GPIO_VREF | GPIO1_B1 | 27 | 28 | GPIO1_A2 | GPIO: напряжение 3.3В или 1.8В, определяется GPIO_VREF | |
| GPIO: напряжение 3.3В или 1.8В, определяется GPIO_VREF | GPIO1_B2 | 29 | 30 | GPIO1_A3 | GPIO: напряжение 3.3В или 1.8В, определяется GPIO_VREF | |
| GPIO: напряжение 3.3В или 1.8В, определяется GPIO_VREF | GPIO1_B3 | 31 | 32 | GND | Земля (0B) | |
| Земля (0B) | GND | 33 | 34 | GPIO1_A4 | GPIO: напряжение 3.3В или 1.8В, определяется GPIO_VREF | |
| GPIO: напряжение 3.3В | GPIO1_D6 | 35 | 36 | GPIO1_D7 | GPIO: напряжение 3.3В | |
| GPIO: напряжение 3.3В или 1.8В, определяется GPIO_VREF | GPIO1_B4 | 37 | 38 | GPIO1_A5 | GPIO: напряжение 3.3В или 1.8В, определяется GPIO_VREF | |
| GPIO: напряжение 3.3В или 1.8В, определяется GPIO_VREF | GPIO1_B5 | 39 | 40 | GPIO1_A6 | GPIO: напряжение 3.3В или 1.8В, определяется GPIO_VREF | |
| GPIO: напряжение 3.3В или 1.8В, определяется GPIO_VREF | GPIO1_B6 | 41 | 42 | GND | Земля (0B) | |
| Земля (0B) | GND | 43 | 44 | GPIO1_A7 | GPIO: напряжение 3.3В или 1.8В, определяется GPIO_VREF | |
| GPIO: напряжение 3.3В или 1.8В, определяется GPIO_VREF | GPIO1_B7 | 45 | 46 | GPIO1_C4 | GPIO: напряжение 3.3В или 1.8В, определяется GPIO_VREF | |
| GPIO: напряжение 3.3В или 1.8В, определяется GPIO_VREF | GPIO1_C2 | 47 | 48 | GPIO1_C6 | GPIO: напряжение 3.3В или 1.8В, определяется GPIO_VREF | |
| GPIO: напряжение 3.3В или 1.8В, определяется GPIO_VREF | GPIO1_D5 | 49 | 50 | GPIO1_D0 | GPIO: напряжение 3.3В или 1.8В, определяется GPIO_VREF | |
| GPIO: напряжение 3.3В или 1.8В, определяется GPIO_VREF | UART2_RX | 51 | 52 | GND | Земля (0B) | |
| Земля (0B) | GND | 53 | 54 | GPIO1_D1 | GPIO: напряжение 3.3В или 1.8В, определяется GPIO_VREF | |
| GPIO: напряжение 3.3В или 1.8В, определяется GPIO_VREF | UART2_TX | 55 | 56 | GPIO1_D2 | GPIO: напряжение 3.3В или 1.8В, определяется GPIO_VREF | |
| SD/eMMC сигнал CLK | SDMMC0_CLK | 57 | 58 | GPIO1_D3 | GPIO: напряжение 3.3В или 1.8В, определяется GPIO_VREF | |
| Земля (0B) | GND | 59 | 60 | GND | Земля (0B) | |
| SD/eMMC сигнал Data3 | SDMMC0_D3 | 61 | 62 | SDMMC0_CMD | SD/eMMC сигнал CMD | |
| SD/eMMC сигнал Data0 | SDMMC0_D0 | 63 | 64 | Зарезервировано | Не подключен | |
| Земля (0B) | GND | 65 | 66 | GND | Земля (0B) | |
| SD/eMMC сигнал Data1 | SDMMC0_D1 | 67 | 68 | SARADC_IN1 | Сигнал RECOVERY, внутренняя подтяжка 10кОм к 1.8В | |
| SD/eMMC сигнал Data2 | SDMMC0_D2 | 69 | 70 | Зарезервировано | Не подключен | |
| Земля (0B) | GND | 71 | 72 | Зарезервировано | Не подключен | |
| Не подключен | Зарезервировано | 73 | 74 | GND | Земля (0B) | |
| Сигнал управления питанием SD карты GPIO4_B4. Внутренний подтягивающий резистор к 3.3В | SDMMC_PWREN | 75 | 76 | SDMMC0_DET_L | Сигнал определения подключения SD карты GPIO0_A4. Внутренний подтягивающий резистор к 1.8В | |
| 4.75В-5.25В. Питание модуля | VBUS | 77 | 78 | GPIO_VREF | Определяет уровень напряжения сигналов GPIO. Для выбора напряжения подключить либо к VCC_3V3, либо к VCC_1V8 | |
| 4.75В-5.25В. Питание модуля | VBUS | 79 | 80 | I2C6_SCL_M3 | Сигнал I2C CLK. GPIO: напряжение 3.3В. Внутренняя подтяжка 2.2кОм к 3.3B | |
| 4.75В-5.25В. Питание модуля | VBUS | 81 | 82 | I2C6_SDA_M3 | Сигнал I2C SDA. GPIO: напряжение 3.3В. Внутренняя подтяжка 2.2кОм к 3.3B | |
| 4.75В-5.25В. Питание модуля | VBUS | 83 | 84 | VCC_3V3 | Напряжение 3.3B ± 2.5%, формируется модулем. Максимальный ток - 2000мА на группу | |
| 4.75В-5.25В. Питание модуля | VBUS | 85 | 86 | VCC_3V3 | Напряжение 3.3B ± 2.5%, формируется модулем. Максимальный ток - 2000мА на группу | |
| 4.75В-5.25В. Питание модуля | VBUS | 87 | 88 | VCC_1V8 | Напряжение 1.8B ± 2.5%, формируется модулем. Максимальный ток - 600мА на группу | |
| Не подключен | Зарезервировано | 89 | 90 | VCC_1V8 | Напряжение 1.8B ± 2.5%, формируется модулем. Максимальный ток - 600мА на группу | |
| Не подключен | Зарезервировано | 91 | 92 | PMIC_RESET_L | Сигнал состояния CPU. Двунаправленный. Низкий уровень вызывает Сброс CPU. Внутренняя подтяжка 10кОм к 3.3В | |
| Сигнал загрузки в режиме BOOT-SW, Активный-низкий. Внутренняя подтяжка 10 кОм к +1.8В | BOOT-SW | 93 | 94 | SARADC_VIN3 | Сигнал 12-бит ADC 3, MAX 1,8В | |
| GPIO: напряжение 3.3В. Альт.: ШИМ | GPIO4_B6 | 95 | 96 | SARADC_VIN2 | Сигнал 12-бит ADC 2, МAX 1.8В | |
| GPIO: напряжение 3.3В | GPIO4_A7 | 97 | 98 | GND | Земля (0B) | |
| Сигнал управления питанием модуля. Низкий уровень для выключения. Внутренняя подтяжка 45 кОм к VBUS | PWRON_L | 99 | 100 | GPIO4_A5 | GPIO: напряжение 3.3В |
Разъём 2
| Назначение | Линия | Pin | Pin | Линия | Назначение | |
|---|---|---|---|---|---|---|
| Входной сигнал USB OTG | USB_OTG0_ID | 1 | 2 | GPIO1_A0 | Сигнал запроса тактирования PCIe (PCIE20_CLKREQn_3V3_L). Активный-низкий. Напряжение 3.3В | |
| Сигнал данных USB D- | USB_OTG0_DM | 3 | 4 | GPIO1_A1 | Сигнал пробуждения PCIe (PCIE20_WAKEn_3V3_L). Активный-низкий. Напряжение 3.3В | |
| Сигнал данных USB D+ | USB_OTG0_DP | 5 | 6 | GPIO4_A6 | GPIO: напряжение 3.3В | |
| Земля (0B) | GND | 7 | 8 | GND | Земля (0B) | |
| Сигнал сброса PCIe (PCIE20_PERSTn_3V3_L ). Активный-низкий. Напряжение 3.3В | GPIO4_A6 | 9 | 10 | PCIE20_REFCLKP_P | Сигнал тактирования PCIe CLK+ | |
| Не подключен | Зарезервировано | 11 | 12 | PCIE20_REFCLKP_N | Сигнал тактирования PCIe CLK- | |
| Земля (0B) | GND | 13 | 14 | GND | Земля (0B) | |
| Входной сигнал данных D0- Камеры 0 | MIPI_CSI0_RX_D0N | 15 | 16 | PCIE20_RXP | Сигнал данных RX+ PCIe | |
| Входной сигнал данных D0+ Камеры 0 | MIPI_CSI0_RX_D0P | 17 | 18 | PCIE20_RXN | Сигнал данных RX- PCIe | |
| Земля (0B) | GND | 19 | 20 | GND | Земля (0B) | |
| Входной сигнал данных D1- Камеры 0 | MIPI_CSI0_RX_D1N | 21 | 22 | PCIE20_TXP | Сигнал данных TX+ PCIe | |
| Входной сигнал данных D1+ Камеры 0 | MIPI_CSI0_RX_D1P | 23 | 24 | PCIE20_TXN | Сигнал данных TX- PCIe | |
| Земля (0B) | GND | 25 | 26 | GND | Земля (0B) | |
| Входной сигнал тактирования CLK0- Камеры 0 | MIPI_CSI0_RX_CLK0N | 27 | 28 | MIPI_DPHY0_RX_D0_N | Входной сигнал данных DPHY0 D0- | |
| Входной сигнал тактирования CLK0+ Камеры 0 | MIPI_CSI0_RX_CLK0P | 29 | 30 | MIPI_DPHY0_RX_D0_P | Входной сигнал данных DPHY0 D0+ | |
| Земля (0B) | GND | 31 | 32 | GND | Земля (0B) | |
| Входной сигнал данных D2- Камеры 0 | MIPI_CSI0_RX_D2N | 33 | 34 | MIPI_DPHY0_RX_D1_N | Входной сигнал данных DPHY0 D1- | |
| Входной сигнал данных D2+ Камеры 0 | MIPI_CSI0_RX_D2P | 35 | 36 | MIPI_DPHY0_RX_D1_P | Входной сигнал данных DPHY0 D1+ | |
| Земля (0B) | GND | 37 | 38 | GND | Земля (0B) | |
| Входной сигнал данных D3- Камеры 0 | MIPI_CSI0_RX_D3N | 39 | 40 | MIPI_DPHY0_RX_CLK_N | Входной сигнал тактирования DPHY0 CLK- | |
| Входной сигнал данных D3+ Камеры 0 | MIPI_CSI0_RX_D3P | 41 | 42 | MIPI_DPHY0_RX_CLK_P | Входной сигнал тактирования DPHY0 CLK+ | |
| Зарезервировано | Не подключен | 43 | 44 | GND | Земля (0B) | |
| Входной сигнал тактирования CLK1- Камеры 0 | MIPI_CSI0_CLK1_N | 45 | 46 | Зарезервировано | Не подключен | |
| Входной сигнал тактирования CLK1+ Камеры 0 | MIPI_CSI0_CLK1_P | 47 | 48 | Зарезервировано | Не подключен | |
| Выходной сигнал данных EDP D3- | EDP_TX_D3N | 49 | 50 | GND | Земля (0B) | |
| Входной сигнал HDMI CEC | HDMI_CEC_PORT | 51 | 52 | Зарезервировано | Не подключен | |
| Сигнал подключения HDMI. Внутренняя подтяжка 120кОм к земле | HDMI_TX_HPD_PORT | 53 | 54 | Зарезервировано | Не подключен | |
| Земля (0B) | GND | 55 | 56 | GND | Земля (0B) | |
| Выходной сигнал данных DPHY0 D0- | MIPI_DPHY0_TX_D0_N | 57 | 58 | HDMI0_SBDP | Выходной сигнал HDMI0_SBDP | |
| Выходной сигнал данных DPHY0 D0+ | MIPI_DPHY0_TX_D0_P | 59 | 60 | Зарезервировано | Не подключен | |
| Земля (0B) | GND | 61 | 62 | GND | Земля (0B) | |
| Выходной сигнал данных DPHY0 D1- | MIPI_DPHY0_TX_D1_N | 63 | 64 | Зарезервировано | Не подключен | |
| Выходной сигнал данных DPHY0 D1+ | MIPI_DPHY0_TX_D1_P | 65 | 66 | Зарезервировано | Не подключен | |
| Земля (0B) | GND | 67 | 68 | GND | Земля (0B) | |
| Выходной сигнал тактирования DPHY0 CLK- | MIPI_DPHY0_TX_CLK_N | 69 | 70 | HDMI0_PORT_TX2_P | Выходной сигнал данных HDMI0 TX2+ | |
| Выходной сигнал тактирования DPHY0 CLK+ | MIPI_DPHY0_TX_CLK_P | 71 | 72 | HDMI0_PORT_TX2_N | Выходной сигнал данных HDMI0 TX2- | |
| Земля (0B) | GND | 73 | 74 | GND | Земля (0B) | |
| Выходной сигнал данных DPHY1 D0- | MIPI_DPHY1_TX_D0_N | 75 | 76 | HDMI0_PORT_TX1_P | Выходной сигнал данных HDMI0 TX1+ | |
| Выходной сигнал данных DPHY1 D0+ | MIPI_DPHY1_TX_D0_P | 77 | 78 | HDMI0_PORT_TX1_N | Выходной сигнал данных HDMI0 TX1- | |
| Земля (0B) | GND | 79 | 80 | GND | Земля (0B) | |
| Выходной сигнал данных DPHY1 D1- | MIPI_DPHY1_TX_D1_N | 81 | 82 | HDMI0_PORT_TX0_P | Выходной сигнал данных HDMI0 TX0+ | |
| Выходной сигнал данных DPHY1 D1+ | MIPI_DPHY1_TX_D1_P | 83 | 84 | HDMI0_PORT_TX0_N | Выходной сигнал данных HDMI0 TX0- | |
| Земля (0B) | GND | 85 | 86 | GND | Земля (0B) | |
| Выходной сигнал тактирования DPHY1 CLK- | MIPI_DPHY1_TX_CLK_N | 87 | 88 | HDMI0_PORT_TX3_P | Выходной сигнал данных HDMI0 TX3+ | |
| Выходной сигнал тактирования DPHY1 CLK+ | MIPI_DPHY1_TX_CLK_P | 89 | 90 | HDMI0_PORT_TX3_N | Выходной сигнал данных HDMI0 TX3- | |
| Земля (0B) | GND | 91 | 92 | GND | Земля (0B) | |
| Выходной сигнал данных DPHY1 D2- | MIPI_DPHY1_TX_D2_N | 93 | 94 | MIPI_DPHY1_TX_D3_N | Выходной сигнал данных DPHY1 D3- | |
| Выходной сигнал данных DPHY1 D2+ | MIPI_DPHY1_TX_D2_P | 95 | 96 | MIPI_DPHY1_TX_D3_P | Выходной сигнал данных DPHY1 D3+ | |
| Земля (0B) | GND | 97 | 98 | GND | Земля (0B) | |
| Двунаправленный сигнал HDMI0 SDA. Внутренняя подтяжка к питанию 2.2кОм | HDMI_TX0_SDA_M0 | 99 | 100 | HDMI_TX0_SCL_M0 | Двунаправленный сигнал HDMI0 SCL. Внутренняя подтяжка к питанию 2.2кОм |
Разъём 3
| Назначение | Линия | Pin | Pin | Линия | Назначение | |
|---|---|---|---|---|---|---|
| Сигнал данных USB2.0 HOST1 D+ | USB20_HOST1_D_P | 1 | 2 | TYPEC0_SSTX2_P | Выходной сигнал SS TX2+ | |
| Сигнал данных USB2.0 HOST3 D- | USB20_HOST1_D_N | 3 | 4 | TYPEC0_SSTX2_N | Выходной сигнал SS TX2- | |
| Земля (0B) | GND | 5 | 6 | GND | Земля (0B) | |
| TYPEC0_SBU1 | TYPEC_SBU1_o | 7 | 8 | TYPEC0_SSRX2_P | Входной сигнал SS RX2+ | |
| TYPEC0_SBU2 | TYPEC_SBU2_o | 9 | 10 | TYPEC0_SSRX2_N | Входной сигнал SS RX2- | |
| Земля (0B) | GND | 11 | 12 | GND | Земля (0B) | |
| Сигнал данных USB2.0 HOST0 D+ | USB20_HOST0_D_P | 13 | 14 | TYPEC0_SSTX1N | Выходной сигнал SS TX1- | |
| Сигнал данных USB2.0 HOST0 D- | USB20_HOST0_D_N | 15 | 16 | TYPEC0_SSTX1P | Выходной сигнал SS TX1+ | |
| Земля (0B) | GND | 17 | 18 | GND | Земля (0B) | |
| Входной сигнал SS RX1- | TYPEC_SSRX1_N | 19 | 20 | GPIO3_C6 | GPIO: напряжение 1.8В | |
| Входной сигнал SS RX1+ | TYPEC_SSRX1_P | 21 | 22 | GPIO3_C7 | GPIO: напряжение 1.8В | |
| Земля (0B) | GND | 23 | 24 | GPIO3_D1 | GPIO: напряжение 1.8В | |
| Входной сигнал тактирования DPHY1 CLK+ | MIPI_DPHY1_RX_CLK_P | 25 | 26 | GPIO3_D5 | GPIO: напряжение 1.8В | |
| Входной сигнал тактирования DPHY1 CLK- | MIPI_DPHY1_RX_CLK_N | 27 | 28 | GPIO3_D2 | GPIO: напряжение 1.8В | |
| Земля (0B) | GND | 29 | 30 | GPIO3_D4 | GPIO: напряжение 1.8В | |
| Входной сигнал тактирования DPHY1 D1+ | MIPI_DPHY1_RX_D1_P | 31 | 32 | GND | Земля (0B) | |
| Входной сигнал тактирования DPHY1 D1+ | MIPI_DPHY1_RX_D1_N | 33 | 34 | GPIO3_B7 | GPIO: напряжение 1.8В | |
| Земля (0B) | GND | 35 | 36 | GPIO3_C5 | ВGPIO: напряжение 1.8В | |
| Входной сигнал тактирования DPHY1 D0+ | MIPI_DPHY1_RX_D0_P | 37 | 38 | GPIO3_C4 | Земля (0B) | |
| Входной сигнал тактирования DPHY1 D0- | MIPI_DPHY1_RX_D0_N | 39 | 40 | GPIO3_D3 | GPIO: напряжение 1.8В | |
| Земля (0B) | GND | 41 | 42 | GPIO3_A1 | GPIO: напряжение 1.8В | |
| GPIO: напряжение 1.8В | GPIO3_D0 | 43 | 44 | GND | Земля (0B) | |
| Земля (0B) | GND | 45 | 46 | GPIO3_B3 | GPIO: напряжение 1.8В | |
| GPIO: напряжение 1.8В | GPIO3_A0 | 47 | 48 | GPIO3_B2 | GPIO: напряжение 1.8В | |
| GPIO: напряжение 1.8В | GPIO3_B4 | 49 | 50 | GPIO3_C1 | GPIO: напряжение 1.8В | |
| GPIO: напряжение 1.8В | GPIO3_B5 | 51 | 52 | GPIO3_A6 | GPIO: напряжение 1.8В | |
| GPIO: напряжение 1.8В | GPIO3_C3 | 53 | 54 | GND | Земля (0B) | |
| Земля (0B) | GND | 55 | 56 | GPIO3_B0 | Земля (0B) | |
| GPIO: напряжение 1.8В | GPIO3_B6 | 57 | 58 | GPIO3_A5 | GPIO: напряжение 1.8В | |
| GPIO: напряжение 1.8В | GPIO3_B1 | 59 | 60 | GPIO3_A7 | GPIO: напряжение 1.8В | |
| GPIO: напряжение 1.8В | GPIO3_A2 | 61 | 62 | GPIO3_A4 | GPIO: напряжение 1.8В | |
| GPIO: напряжение 1.8В | GPIO3_A3 | 63 | 64 | GND | Земля (0B) | |
| Земля (0B) | GND | 65 | 66 | GPIO0_B0 | GPIO: напряжение 1.8В | |
| GPIO: напряжение 1.8В | GPIO0_A0 | 67 | 68 | I2S0_MCLK | GPIO: напряжение 1.8В | |
| GPIO: напряжение 1.8В | GPIO1_C5 | 69 | 70 | I2S0_SDO0 | GPIO: напряжение 1.8В | |
| GPIO: напряжение 1.8В | GPIO1_C3 | 71 | 72 | GPIO3_C0 | GPIO: напряжение 1.8В | |
| GPIO: напряжение 1.8В | GPIO1_D4 | 73 | 74 | GND | Земля (0B) | |
| Земля (0B) | GND | 75 | 76 | PCIE20_0_REFCLK_P | Сигнал тактирования PCIe CLK+ | |
| GPIO: напряжение 1.8В | GPIO0_D5 | 77 | 78 | PCIE20_0_REFCLK_N | Сигнал тактирования PCIe CLK- | |
| GPIO: напряжение 1.8В | GPIO0_C7 | 79 | 80 | GND | Земля (0B) | |
| GPIO: напряжение 1.8В | GPIO0_D4 | 81 | 82 | PCIE20_0_TX_P | Сигнал данных TX+ PCIe | |
| GPIO: напряжение 1.8В | GPIO0_C4 | 83 | 84 | PCIE20_0_TX_N | Сигнал данных TX- PCIe | |
| GPIO: напряжение 1.8В | GPIO0_D3 | 85 | 86 | GND | Земля (0B) | |
| Земля (0B) | GND | 87 | 88 | PCIE20_0_RX_N | Сигнал данных RX- PCIe | |
| GPIO: напряжение 1.8В | GPIO0_D0 | 89 | 90 | PCIE20_0_RX_P | Сигнал данных RX+ PCIe | |
| GPIO: напряжение 1.8В | GPIO3_C2 | 91 | 92 | GND | Земля (0B) | |
| GPIO: напряжение 3.3В | GPIO4_A3 | 93 | 94 | GPIO0_C5 | GPIO: напряжение 1.8В | |
| GPIO: напряжение 3.3В | GPIO4_B3 | 95 | 96 | GPIO0_B2 | GPIO: напряжение 1.8В | |
| GPIO: напряжение 3.3В | GPIO4_B2 | 97 | 98 | GPIO0_C6 | GPIO: напряжение 1.8В | |
| Земля (0B) | GND | 99 | 100 | GND | Земля (0B) |