В помощь разработчику
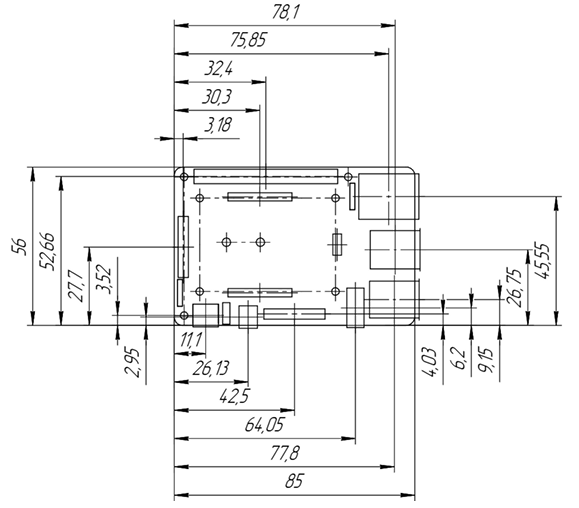
Параметры платы
- Размеры - 56 × 85 мм.
- Высота - 22 мм.
- На плате присутствуют 3 монтажных отверстия M2.5 (на расстоянии 3,5 мм от края).
- Толщина печатной платы: 1,6 мм ± 10%.
- Самая высокая точка над поверхностью печатной платы: 16,4 ± 0,5 мм.
- Высота стекирования: 1,5 мм с ответным разъёмом DF40C-100DS 0.4v.
- Вес платы без установленного модуля составляет 46 г ± 2%.
Чертеж
Ниже представлен чертеж модуля ELTAY BB CM4. Все размеры указаны в миллиметрах.
Вид сверху

Вид снизу

Доступные интерфейсы
- Ethernet (разъем RJ45 (XS1) c поддержкой PoE). Контакты PoE выведены на разъем XP7. Подключение разъема Ethernet с поддержкой PoE:

-
USB3.0 / USB2.0 на сдвоенном разъеме USB, один из которых (нижний) поддерживает USB3.0, а второй (верхний) USB 2.0.
-
USB2.0 / USB2.0 на сдвоенном разъеме.
-
Разъем M.2 key M (PCIe 2.0 x1). В зависимости от конфигурации, определяемой в OC, разъем может использоваться для подключения устройств по интерфейсу PCIe 2.0 x1 или SATA 3.0. Разъем позволяет установить карты расширения стандарта M.2 с поддержкой key M, типоразмера 2230 и 2242.
-
eDP. Позволяет подключить экран, поддерживающий eDP версии 1.3 или младше, и разрешение до 2560x1600@60Hz.
-
Аудиоразъем JACK 3.5 mm 4-pin. Позволяет подключить 2-х канальный динамик или наушники с одноканальным микрофоном.
-
Разъем microHDMI. Позволяет подключить экран, поддерживающий HDMI версии 1.4 или младше, и разрешение до 1080p@120Гц или 4K@60Гц.
-
MIPI CSI RX. На плате установлены два разъема для подключения камеры. Оба разъема используют по 2 линии данных и по одной линии тактирования.
-
MIPI DSI TX. На плате установлен разъем для подключения дисплея по интерфейсу MIPI DSI. Разъем использует 2 линии данных и одну линию тактирования, это позволяет выводить изображение с разрешением до 1440p@60Гц.
-
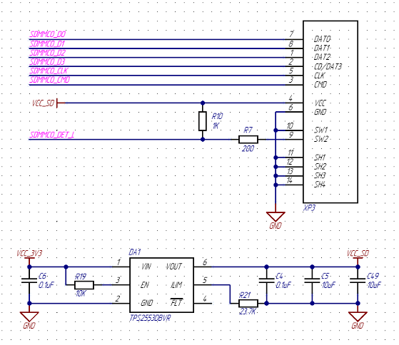
SD/MMC. Подключение разъема microSD карты:

- Разъем GPIO 40pin. Совместим со сторонними модулями расширения.

Если в плату устанавливается модуль ELTAY RM66 или Orange Pi CM4, то:
- Каждая из линий имеет до 4-х альтернативных функций. Перечень альтернативных функций представлен в документации на устанавливаемый модуль.
- Уровень сигналов GPIO0_B1, GPIO0_B2, GPIO0_B3, GPIO0_B4, GPIO0_D0, GPIO0_D1 составляет 3.3 В, и не может быть изменен.
- Сигналы GPIO4_B4, GPIO4_B5, имеют подтяжку 2.2 КОм к высокому логическому уровню.
- Сигналы GPIO0_B1, GPIO0_B2, GPIO0_B3, GPIO0_B4, имеют подтяжку 2.2 КОм к напряжению 3.3 В.
Уровень сигнала может быть выбран произвольно - 3.3 В или 1.8 В. Необходимый уровень питания задается резисторами. Для установки напряжения 3.3 В необходимо впаять резистор, обозначенный на плате как 3.3V. Для установки напряжения 1.8 В необходимо впаять резистор, обозначенный на плате как 1.8V. Таким образом, будет подано необходимое питание на контакт VCCIO6, который физически соединен с доменом питания этой группы выводов.

Для корректной работы платы должен быть впаян только один резистор выбора уровня напряжения - или 3.3V, или 1.8V.
-
I2C (I2C1_SDA, I2C1_SCL). Внутренняя шина I2C. Выделена для устройств, подключаемых по DSI и/или CSI. Если подключаемое устройство требует использование данных сигналов, обычно управление шиной осуществляется драйвером устройства.
-
UART (UART2_TX, UART2_RX). Внутренняя шина UART. Продублирована отдельно на разъеме XP8. Не имеет альтернативных функций и может использоваться для внутрисистемной отладки.
-
FAN (PWM7). На плате установлен 4-выводной разъем для подключения внешнего вентилятора. Управление может осуществляться с помощью ШИМ, параметры ШИМ настраиваются отдельно в ОС.
-
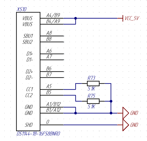
USB type-C (POWER). Питание платы ELTAY BB CM4 осуществляется через разъем USB type-C. Максимальная потребляемая мощность 15 Вт. Разъем так же может быть использован для питания внешних устройств при условии, что питание платы осуществляется через разъем XP10 (2-pin POWER), а потребляемый ток не превышает 1А. Подключение разъема USB type-C:

- 2-pin POWER. Питание платы может осуществляется через разъем XP10 2-pin (POWER). Напряжение питания при этом должно оставаться в диапазоне от 7 до 27 В.
При использовании платы с распаянным разъемом 2-pin POWER исключается возможность использования аудио каналов вход/выход, а разъем Audio Jack 3.5 4-pin не распаян.
-
Кнопки управления. Для управления состоянием модуля, на плате присутствуют 3 тактовые кнопки:
- BOOT - для перевода eMMC или NAND Flash в режим Maskrom.
- RESET - для внешнего сброса и перезапуска SoC модуля.
- RECOVERY - для перевода SoC модуля в режим Recovery.
-
Светодиоды индикации. Для индикации состояния модуля, на плате присутствуют 3 светодиода:
- PWR – показывает наличие на плате питания 3.3 В, формируемого модулем.
- WORK – пользовательский светодиод.
- PCIe – управляется устройством, подключённым в M.2 разъем.
Распиновка
Функциональное назначение выводов разъема GPIO
| Вывод | Название | Подтяжка | ALT1 | ALT2 | Уровень |
|---|---|---|---|---|---|
| 1 | 3,3B | -- | -- | -- | -- |
| 2 | 5B | -- | -- | -- | -- |
| 3 | GPIO4_B4 | High | I2C2_SDA | -- | -- |
| 4 | 5B | -- | -- | -- | -- |
| 5 | GPIO4_B5 | High | I2C2_SCL | -- | -- |
| 6 | GND | -- | -- | -- | -- |
| 7 | GPIO4_C3 | -- | PWM15 | -- | -- |
| 8 | GPIO0_D1 | -- | UART2_TX | -- | Только 3,3B |
| 9 | GND | -- | -- | -- | -- |
| 10 | GPIO0_D0 | -- | UART2_RX | -- | Только 3,3B |
| 11 | GPIO3_C6 | -- | I2S1_MCLK | SDMMC2_D0 | -- |
| 12 | GPIO3_C7 | -- | I2S1_SCLK_TX | SDMMC2_D1 | -- |
| 13 | GPIO4_A0 | -- | -- | -- | -- |
| 14 | GND | -- | -- | -- | -- |
| 15 | GPIO4_A2 | -- | UART7_TX | -- | -- |
| 16 | GPIO4_A3 | -- | UART7_RX | -- | -- |
| 17 | 3,3B | -- | -- | -- | -- |
| 18 | GPIO4_A1 | -- | -- | -- | -- |
| 19 | GPIO4_B2 | -- | SPI3_MOSI | I2C4_SDA | -- |
| 20 | GND | -- | -- | -- | -- |
| 21 | GPIO4_B0 | -- | SPI3_MISO | -- | -- |
| 22 | GPIO4_A4 | -- | UART9_TX | -- | -- |
| 23 | GPIO4_B3 | -- | SPI3_CLK | I2C4_SCL | -- |
| 24 | GPIO4_A6 | -- | SPI3_CS0 | -- | -- |
| 25 | GND | -- | -- | -- | -- |
| 26 | GPIO4_A7 | -- | SPI3_CS1 | -- | -- |
| 27 | GPIO1_A0 | -- | I2C3_SDA | -- | -- |
| 28 | GPIO1_A1 | -- | I2C3_SCL | -- | -- |
| 29 | GPIO4_A5 | -- | UART9_RX | -- | -- |
| 30 | GND | -- | -- | -- | -- |
| 31 | GPIO3_D4 | -- | I2S1_SDI2 | SDMMC2_DET | -- |
| 32 | GPIO4_C0 | -- | PWM11 | -- | -- |
| 33 | GPIO3_D7 | -- | -- | -- | -- |
| 34 | GND | -- | -- | -- | -- |
| 35 | GPIO3_D0 | -- | I2S1_LRCK_TX | SDMMC2_D2 | -- |
| 36 | GPIO3_D5 | -- | I2S1_SDI3 | SDMMC2_PWREN | -- |
| 37 | GPIO3_D3 | -- | I2S1_SDI1 | SDMMC2_CLK | -- |
| 38 | GPIO3_D2 | -- | I2S1_SDI0 | SDMMC2_CMD | -- |
| 39 | GND | -- | -- | -- | -- |
| 40 | GPIO3_D1 | -- | I2S1_SDO0 | SDMMC2_D3 | -- |